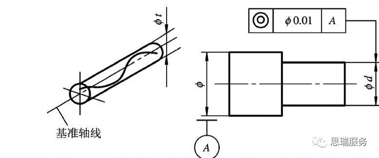
同軸度是表示零件上被測軸線和對于基準軸線,保持在同一直線上的狀況,也就是通常所說的共軸程度用來評價圓柱、圓錐或線相對于基準軸線的偏離程度,由于被測軸線對基準軸線的不同點可能在空間各個方向上出現,固其公差帶是直徑為值Φt,且與基準軸線同軸的圓柱面內的區域。
同軸度公差帶

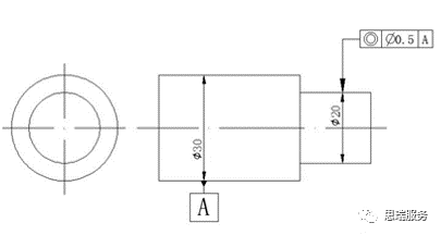
同軸度公差是指被測實際軸線相對于基準軸線所允許的最大變動量,例如
:
上圖表示Φ20的圓柱相對于Φ30圓柱的同軸度公差為Φ0.5,以Φ30圓柱的軸線模擬到一條理論軸線,即基準軸的軸線直線度為零,再以該理論軸線為軸心線,在Φ20圓柱長度內做一圓柱面,如下圖,圓柱面直徑為Φ0.5,只要被測Φ20圓柱的軸線上所有點都落在Φ0.5圓柱面內,則被測圓柱的同軸度合格。

同軸度控制的是軸心的位置關系,而軸心不能直接通過測量得到,需要根據圓的表面點來得到圓軸位置 ,使用常規的檢測儀器很難得到,通常是使用計算機輔助計算得到。
三坐標測量機,就很容易得到同軸度測量值。PC-DMIS與Rational-DMIS都有同軸度的評價功能,使三坐標測量能夠直接輸出同軸度的測量結果。
注意:部分產品對于基準圓柱與被測圓柱(較短)距離較遠時是不能用三坐標測量軟件直接求得的,此處我們要引入一個概念——延伸誤差,如下圖t'為延伸誤差帶來的結果:

上圖可以看出,如果以左側軸線為基準,延伸到右側被測圓柱時,計算得到同軸度結果為t',顯然這個結果是錯誤的,而圖中藍色公差帶結果t才是我們想要的同軸度結果。那么我們如何才能減少延伸誤差呢?
通常用公共軸線法、直線度法、求距法求得。
此方法思路來源于傳統的“芯棒法”,通過構造一條基準與被測間的公共軸線作為基準,分別計算基準圓柱和被測圓柱對公共軸線的同軸度,取最大值為該零件的同軸度。這條公共軸線近似于一個模擬心軸,因此這種方法接近零件的實際裝配過程。
公共軸線構造方法:
在被測元素和基準元素上測量多個橫截面的圓,再將這些圓的圓心構造一條3D直線,作為公共軸線,每個圓的直徑可以不一致。
在被測元素和基準元素上測量多個橫截面的圓,然后選擇這幾個圓構造一條3D直線,同軸度近似為直線度的兩倍
同軸度為被測元素和基準元素軸線間最大距離的兩倍。即用關系計算出被測元素和基準元素的最大距離后,將其乘以2即可。求距法在計算最大距離時要將其投影到一個平面上來計算,因此這個平面與用作基準的軸的垂直度要好。這種情況比較適合測量同心度,因此此方法也稱之為轉換同心度法。
注意:同軸度是一個重要是控制公差,同軸度約束的是軸線的位置相對于基準軸線的位置關系,在實際三坐標測量中,具體方法還需要參照圖紙決定。
思瑞測量是全球專業的計量解決方案制造商,產品涵蓋三坐標、三坐標測量機、三坐標測量儀、三坐標測量、三次元、光學測量、三坐標升級、三坐標測量服務、及逆向工程等領域,全方位解決復雜測量難題!
返回頂部